氨氣傳感器
更新時間:2025-11-07
產品型號:WX-QT10
產品價格:電議
產品品牌:萬象環境
銷售電話:15666889815
銷售QQ:1950883583
公司地址:山東省濰坊高新區新城街道玉清社區光電路155號濰坊高新區光電產業加速器(一期)1號樓301
更新時間:2025-11-07
產品型號:WX-QT10
產品價格:電議
產品品牌:萬象環境
一、氨氣傳感器技術參數
氨氣傳感器主要功能是實時監測環境中的氨氣濃度,氨氣傳感器是一款專門用于檢測空氣中氨氣(NH?)濃度的設備,廣泛應用于環境監測、工業安全、農業養殖等領域,可實時監測環境中的氨氣濃度。當環境中的氨氣濃度超過預設的安全閾值時,傳感器會迅速發出警報,提醒相關人員采取緊急措施,從而有效避免安全事故的發生。
型號 | 測量參數 | 測量范圍 | 精度 | 分辨率 | 單位 | 工作溫度 | 工作濕度 |
QT1 | 一氧化碳 | 0-1000PPM | ±2PPM | 1PPM | PPM | -20℃-+50℃ | 10-95%RH無冷凝 |
QT1S | 0-20PPM | ≤±5% | 0.01PPM | PPM | -20℃-+50℃ | 10-95%RH無冷凝 | |
QT2 | 二氧化硫 | 0-20PPM | ±1PPM | 0.1PPM | PPM | -20℃-+50℃ | 10-95%RH無冷凝 |
QT2S | 0-1PPM | ≤±5% | 0.001ppm | PPM | -20℃-+50℃ | 10-95%RH無冷凝 | |
QT3 | 二氧化氮 | 0-20PPM | ±1PPM | 0.1PPM | PPM | -20℃-+50℃ | 10-95%RH無冷凝 |
QT3S | 0-1PPM | ≤±5% | 0.001ppm | PPM | -20℃-+50℃ | 10-95%RH無冷凝 | |
QT4 | 臭氧 | 0-20PPM | ±1PPM | 0.1PPM | PPM | -20℃-+50℃ | 10-95%RH無冷凝 |
QT4S | 0-1PPM | ≤±5% | 0.001ppm | PPM | -20℃-+50℃ | 10-95%RH無冷凝 | |
QT5 | 氧含量 | 0~30%VOL | ±3%FS | 0.1%VOL | VOL | -20℃-+50℃ | 5-95%RH 無冷凝 |
QT6 | 負氧離子 | 0~10萬 個/cm3 | ±10% | 10個/cm3 | 個/cm3 | +10℃-+70℃ | 10-70%RH無冷凝 |
QT7 | 硫化氫 | 0-100PPM | ±2PPM | 1PPM | PPM | -20℃-+50℃ | 10-95%RH無冷凝 |
QT8 | 甲烷 | 0-100%LEL | ≤±3% | 1%LEL | LEL | -20℃-+50℃ | 10-95%RH無冷凝 |
QT9 | TVOC | 0-100PPM | 55±15 nA/ppm | 1PPM | PPM | -20℃-+50℃ | 10-95%RH無冷凝 |
QT10 | 氨氣 | 0-100PPM | ±4PPM | 1PPM | PPM | -20℃-+50℃ | 10-95%RH無冷凝 |
QT11 | 一氧化氮 | 0-250PPM | -2~10PPM | 1PPM | PPM | -20℃-+50℃ | 10-95%RH無冷凝 |
QT12 | 甲醛 | 0-10PPM | <1PPM | 0.1PPM | PPM | -20℃-+50℃ | 10-95%RH無冷凝 |
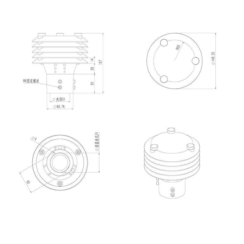
二、氨氣傳感器產品尺寸圖

智慧路燈環境傳感器“感知”環境變化
2024-08-30超聲波風速傳感器:捕捉無形的氣流
2025-10-27明渠雷達流量計:數據準確性探析
2025-07-17金屬款五要素微型氣象儀如何濃縮天氣奧秘?
2025-09-29遙感式路面狀況傳感器:用多光譜測量技術監測路面狀況
2025-04-28路面狀況傳感器可以實時監測影響交通安全的大霧、雨和雪等天氣現象
2024-12-24光伏電站環境監測設備可以用于太陽能資源評估嗎?
2025-03-12二維五要素氣象傳感器有什么用途?
2025-03-13二維超聲波風速儀的作用和優勢
2025-03-06N10型能見度傳感器,高速路監測天氣現象專業設備
2025-06-17